| Gleifreimeldung im Modell | |||
|
|
|
|
| Vom Gleisplan zum Gleisbildstellpult | |||
|
|
|
|
| Signalnumerierung der Hauptsignale | |||
|
|
||
| Diverse Schaltungen | |||
|
|
|
|
|
|
|
|
|
|||
| Schattenbahnhof | |||
|
|
||
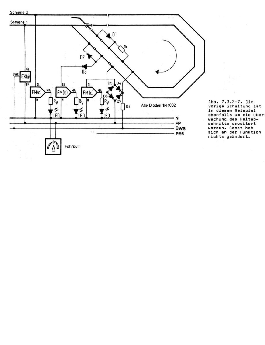
| Kehrschleife | |||
|
|
|
|
|
|
|
|



























